Upozornenie: 
						Platí iba pri objednávke tovaru cez ESHOP. Zľava je uvedená pri každom tovare individuálne.
						Zľavy neposkytujeme pri platbe platobnou kartou v Štúdiu KúpeľneSK.
Geberit SET Jadrofix(DuofixŠpeciál)111.355.00.5+WCzávesné TeceOne sprch.Riml.+sedSC+Sigma
Cena s DPH: 1.325,68 € / set Cena s DPH s dodatočnou zľavou: 1.312,42 € / set
| Kód: | 111.355.00.5 NT4 | 
| Výrobca: | Geberit | 
| Dostupnosť: | Ext. skladom 1-2 dni | 
Geberit SET Jadrofix(DuofixŠpeciál)111.355.00.5 + WCzávesné Tece One sprchovacie Rimless + sed.SC + Sigma20 Biela/Chróm lesklý
Cena s DPH: 1.325,68 € / set
Dodatočná zľava 1-10% pre Vás. V košíku zadajte Zľavový kupón: "KUPELNESK"
Vyberte si dostupné doplnky ( doplnok vkladáte do košíka v ľubovolnom množstve )
Geberit SET Jadrofix(DuofixŠpeciál)111.355.00.5 + WCzávesné Tece One sprchovacie Rimless + sed.SC + Sigma20 Biela/Chróm lesklý
SET obsahuje:
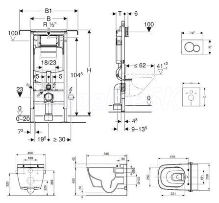
    predstenový inštalačný prvok Geberit Duofix (111.355.00.5), so splachovacou nádržkou pod omietku Sigma 12 cm, k inštalácii medzi bočné steny
    súpravu na tlmenie hluku (SP 156SET)
    závesné WC s bidetovou spŕškou Tece TECEone (9700200)
    duroplastovú WC dosku Tece TECEone (9700600)
    2-činné ovládacie tlačidlo Geberit Sigma20, biela/chróm (115.882.KJ.1)
Montážny prvok Duofix na závesné WC so splachovacou nádržkou pod omietku Sigma 12 cm, k inštalácii medzi bočné steny
Špecifikácie montáže:
Montážny prvok pre suché procesy určený na montáž medzi dve steny. Jeho uchytenie do strán oceníte všade tam, kde zadná stena nie je dostatočne únosná, alebo kde je uchytenie do bočných stien technicky jednoduchšie. Ideálne sa hodí napr. do montovaných drevostavieb alebo bytových jadier panelových domov. Konštrukcia rámu umožňuje jednoduché a spoľahlivé upevnenie medzi dve steny. Pripevniť ho je možné prakticky do akéhokoľvek stavebného materiálu, od panelu cez vymurovanú (napr. tehlovú, ytongovú) alebo drevenú stenu až po nosník ľahkej sadrokartónové priečky (napr. Knauf alebo Rigips).
Účel použitia:
    na konštrukcie vykonávané suchým procesom
    na montáž do predstenových inštalácií čiastočne vysokých alebo vysokých na výšku miestnosti
    na montáž do inštalačných stien vysokých na výšku miestnosti
    na montáž do systémových stien Geberit Duofix čiastočne vysokých alebo vysokých na výšku miestnosti
    na montáž do úzkych priestorov a výklenkov
    na závesné WC s pripojovacími rozmermi podľa EN 33:2011
    na závesné WC s vyložením do 62 cm
    na 1 množstvo splachovania, 2 množstvá splachovania alebo splachovanie Štart/Stop
    na hrúbky podlahy 0-20 cm
Vlastnosti:
    samonosný rám s nanesenou práškovou farbou
    nastaviteľný do šírky
    rám s vŕtanými otvormi o 9 mm pre upevnenie do drevenej konštrukcie
    rám pripravený na podpery u WC keramík s malou opornou plochou
    podpery pozinkované
    podpery nastaviteľné 0-20 cm
    podpery s protišmykovou úpravou
    spodné dosky otočné
    hĺbka spodnej dosky vhodná na montáž do U profilov UW 50 a UW 75 a do systémových profilov Geberit Duofix
    pripojovacie koleno pre montáž bez náradia v rôznych hĺbkach, rozsah nastavenia 45 mm
    upevnenie pripojovacieho kolena zvukovo izolované
    splachovacia nádržka pod omietku s ovládaním spredu
    splachovacia nádržka pod omietku izolovaná proti roseniu
    u nastavenia z výroby je možné okamžité dodatočné spláchnutie
    montážne a servisné práce na splachovacej nádržke pod omietku bez náradia
    prívod vody vzadu alebo hore uprostred
    kryt na hrubú montáž pre servisný otvor chráni pred vlhkosťou a nečistotami
    kryt na hrubú montáž pre servisný otvor s možnosťou skrátenia
    vybavený rúrkovou chráničkou pre prívodné potrubie na pripojenie sprchovacích WC Geberit AquaClean
    s možnosťou upevnenia pre prívod elektriny
Technické údaje:
    tlak pri prietoku: 10-1000 kPa
    maximálna teplota vody: 25 °C
    splachovacie množstvo, nastavenie vo výrobe: 6 a 3 l
    veľké splachovacie množstvo, rozsah nastavenia: 4.5 /6 /7.5 l
    malé splachovacie množstvo, rozsah nastavenia: 3-4 l
Obsah dodávky:
    prívod vody R 1/2", vhodný pre MF, s integrovaným rohovým ventilom a ručným ovládacím kolieskom
    kryt na hrubú montáž pre servisný otvor
    pripojovacia súprava pre WC, o 90 mm
    pripojovacie koleno 90° z PE-HD, o 90 mm
    priechodka z PE-HD, o 90/110 mm
    2 ochranné zátky
    2 závitové tyče M12
    upevňovací materiál
Sprchovacia toaleta s technológiou Rimless:
    materiál: sanitárna keramika
    rozmery: 400 x 540 x 392 mm
    technológia bezokrajového splachovania Rimless - bez oplachového kruhu
    integrovaná bidetová spŕška s ovládaním na boku toalety
    regulátor na ovládanie objemu a teploty vody
    otočením regulátora sa rameno spŕšky automaticky vysunie
    bez vodnej nádržky, bez elektrického splachovania, bez bojlera
    rozsah teploty: 10-38 °C
    tlak vody: min. 1 bar (0,1 MPa)
    spotreba vody: až 5,6 l/min
    jednoduchá inštalácia a údržba
    bezpečnostný systém integrovaný v TECEone spĺňa požiadavky normy EN 1717, takže môže byť toaleta napojená priamo na centrálny rozvod teplej a studenej vody
WC doska s poklopom, Soft-Close:
    povrchová úprava: biela
    materiál: duroplast
    ergonomický tvar
    uchytenie pomocou oceľových pántov so Soft-Close mechanizmom
    uchytenie je už nainštalované a neoddeliteľne prichytené na keramiku
    sedadlo je odnímateľné - uľahčuje čistenie
Ovládacie tlačidlo Sigma20, na 2 množstvá splachovania:
    rozmery: 246 x 164 mm
    materiál: plast
    farba vyhotovenia: biela/chróm
    na ovládanie splachovania u splachovacích nádržiek Geberit Sigma
    upevňovací rámik
    2 nastaviteľné úchytky
    2 tyčky tlačidla
    tyčky tlačidlá sú zvukovo izolované, rýchle nastavenie bez náradia




          
                            
                            
