Upozornenie:
Platí iba pri objednávke tovaru cez ESHOP. Zľava je uvedená pri každom tovare individuálne.
Zľavy neposkytujeme pri platbe platobnou kartou v Štúdiu KúpeľneSK.
Hansa TWIST umývadlová batéria s výpusťou, chróm 09542205
Cena s DPH: 328,25 € / ks Cena s DPH s dodatočnou zľavou: 294,44 € / ks
| Kód: | HS 09542205 |
| Výrobca: | Hansa |
| Dostupnosť: | Ext. skladom 1-2 dni |
Dodatočná zľava 1-10% pre Vás. V košíku zadajte Zľavový kupón: "KUPELNESK"
Vyberte si dostupné doplnky ( doplnok vkladáte do košíka v ľubovolnom množstve )
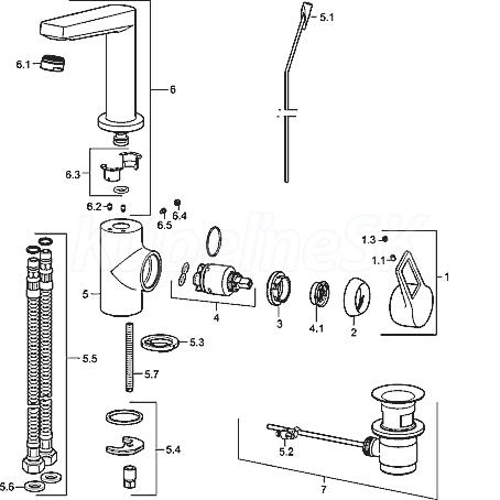
Hansa TWIST umývadlová batéria s výpusťou,chróm 09542205
Prietokové množstvo: 6 l/min,merané pri 3 baroch hydraulického tlaku
Telesá armatúr: mosadz neuvoľňujúca zinok (MS 63)
Povrchy v kontakte s pitnou vodou sú bez povrchovej úpravy niklom
otvorená páka (kov)
označenie teplá-studená
perlátor
konštantný prietok nezávislý na tlaku vody
zlepšená ochrana proti usadeninám pomocou HONEYCOMB štruktúry
odpadová súprava(kov) a ovládanie tiahlom
pripojenie tlakovej hadice G 3/8
montážny systém Rapid
Výtok: liaty, o 150° otočný - vyberateľná zarážka
Vyloženie: 130mm





