spoločnosť KúpeľneSK pripravila pre Vás nový eshop, nájdete na našej novej adrese www.kupelne.eu

    Sledovanie zásielky

    doprava zadarmo uz pri objednavke nad 200 €

    akciove dvere

  >>  Kúpeľňový nábytok  >>  Zrkadlá a Zrkadlové skrinky  >>  Zrkadlá podsvietené  >>  HOPA THERMCOMB-SET,stredový ventil (Z4K) s pripoj. pre el. tyč,Zlatá lesk,Pravý,komplet se

HOPA THERMCOMB-SET,stredový ventil (Z4K) s pripoj. pre el. tyč,Zlatá lesk,Pravý,komplet se

Cena s DPH: 282,73 € / ks Cena s DPH s dodatočnou zľavou: 274,24 € / ks

Kód:RDTHERMCOMSETRG
Výrobca:Hopa
Dostupnosť:Skladom u dodávateľa 1-4 dni

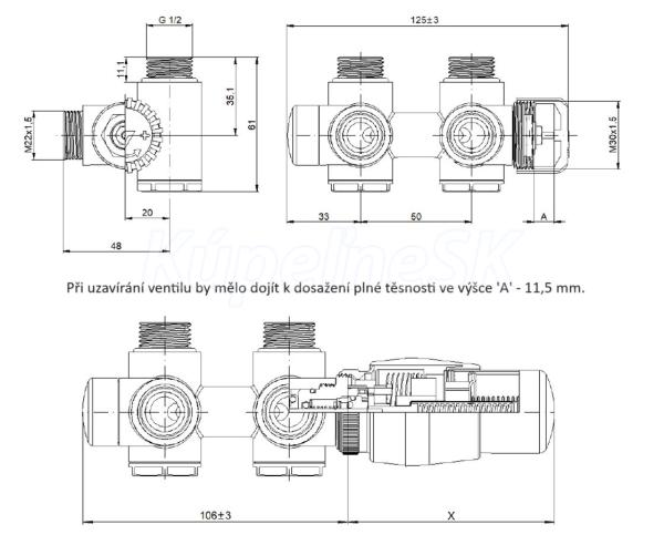
THERMCOMBSET je určený predovšetkým pre asymetrické radiátory (Edinburg, Darvel, Namelles, Popstar) pre teplovodnú aj kombinovanú prevádzku ( možnosť vloženia elektrickej vykurovacej tyče ). Pre teplovodnú prevádzku je set kompletný a nič iné neobjednávate. Pre kombinovanú prevádzku musíte ešte objednať tyč v odporúčanom výkone, ktorú je možné prestrčiť cez ventil vľavo alebo vpravo. Garnitúra, termostatická hlavica aj kompletné príslušenstvo je k dispozícii v 17-tich rôznych farbách vždy s veľmi kvalitnou povrchovou úpravou. Ventily dodávame vrátane zverného šróbenia na Cu aj na PEX-AL-PEX.

Cena s DPH: 282,73 € / ks

ks

  • Zdieľať produkt na Facebooku
  • Tlačiť
  • Uložiť k obľúbeným
  • Spýtajte sa na tento produkt

Ventil je určený na pripojenie radiátorov na rozvody TÚV s vývodom zo steny. sa kombinovať s elektrickou vykurovacou tyčou.

Kompletná sada obsahuje:

1× ventil THERMCOMB-SET

1× termostatickú hlavicu

2× redukciu 1/2, 3/4“

2× zvernú spojku Cu 15 × 1 mm / PEX-AL-PEX 16 × 2 mm

1× krytku priechodu stenou vo farbe armatúry

2× krytku dopojovacieho potrubia vo farbe armatúry

Dostupné farby (prvé písmená uviesť miesto bodiek):

  • C - chróm – skladom (02)
  • S - satén - naskladnenie do 4 - 6 týždňov od objednania (03)
  • GS - grafit (štruktúra) - naskladnenie do 2 týždňov od objednania (05)
  • W – biela lesklá (RAL 9003) – skladom (06)
  • MGL - lesklý antracit/grafit - naskladnenie do 2 týždňov od objednania (07)
  • SS – efekt nerez (brúsený nikel) - naskladnenie do 4 - 6 týždňov od objednania (08)
  • AM - starožitná mosadz - naskladnenie do 4 - 6 týždňov od objednania (11)
  • A - antracit lesk – skladom (12)
  • BL - lesklá čierna - naskladnenie do 2 týždňov od objednania (13)
  • SB - uhľovočierna (štruktúra) - naskladnenie do 2 týždňov od objednania (14)
  • MGS - tmavý grafit (štruktúra) - naskladnenie do 2 týždňov od objednania (15)
  • SW - biela (štruktúra) - naskladnenie do 2 týždňov od objednania (19)
  • ZG - lesklé zlato - naskladnenie do 4 - 6 týždňov od objednania (20)
  • MW – biela matná - naskladnenie do 2 týždňov od objednania (21)
  • B - čierna – skladom (24)
  • MB - čierna štrukturálna – skladom (26)
  • MM - mosadz matná - naskladnenie do 4 - 6 týždňov od objednania (29)
  • MA - antracit matná – naskladnenie do 2 týždňov od objednania (7016)
  • MG – zlatá matná – naskladnenie do 2 týždňov od objednania (C84)

Pri objednaní ostatnej farby** prosím do poznámky uveďte prvé písmená a názov farby.

Záruka 2 roky

Vkladám tovar do košíka...

Vážime si vaše súkromie
Súbory cookie používame v súlade s GDPR EU na zlepšenie vášho zážitku z prehliadania, poskytovanie prispôsobených reklám alebo obsahu a analýzu našej návštevnosti. Kliknutím na „Prijať všetko“ súhlasíte s naším používaním súborov cookie. Prípadne môžete Povoliť len analytické alebo môžeže Odmietnuť všetky .