Upozornenie:
Platí iba pri objednávke tovaru cez ESHOP. Zľava je uvedená pri každom tovare individuálne.
Zľavy neposkytujeme pri platbe platobnou kartou v Štúdiu KúpeľneSK.
HOPA THERMCOMB-SET,stredový ventil (Z4K) s pripoj. pre elektr. tyč,Chróm,Ľavý komplet set
Cena s DPH: 147,98 € / ks Cena s DPH s dodatočnou zľavou: 143,54 € / ks
| Kód: | RDTHERMCOMSETLC |
| Výrobca: | Hopa |
| Dostupnosť: | Skladom u dodávateľa 1-4 dni |
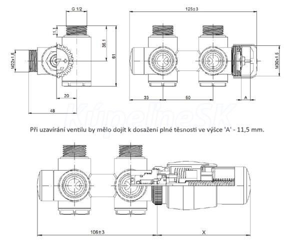
THERMCOMBSET je určený predovšetkým pre asymetrické radiátory (Edinburg, Darvel, Namelles, Popstar) pre teplovodnú aj kombinovanú prevádzku ( možnosť vloženia elektrickej vykurovacej tyče ). Pre teplovodnú prevádzku je set kompletný a nič iné neobjednávate. Pre kombinovanú prevádzku musíte ešte objednať tyč v odporúčanom výkone, ktorú je možné prestrčiť cez ventil vľavo alebo vpravo. Garnitúra, termostatická hlavica aj kompletné príslušenstvo je k dispozícii v 17-tich rôznych farbách vždy s veľmi kvalitnou povrchovou úpravou. Ventily dodávame vrátane zverného šróbenia na Cu aj na PEX-AL-PEX.
Cena s DPH: 147,98 € / ks






