Upozornenie:
Platí iba pri objednávke tovaru cez ESHOP. Zľava je uvedená pri každom tovare individuálne.
Zľavy neposkytujeme pri platbe platobnou kartou v Štúdiu KúpeľneSK.
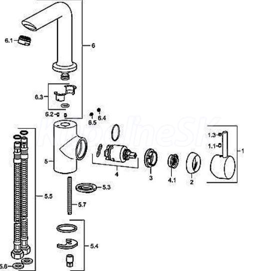
Hansa 52552287 HANSAVANTIS Páková umyvadlová batéria, Chróm
Cena s DPH: 307,98 € / ks Cena s DPH s dodatočnou zľavou: 276,26 € / ks
| Kód: | HS 52552287 |
| Výrobca: | Hansa |
| Dostupnosť: | Na preverenie 1 deň |
| DOPRAVA ZADARMO | |
Dodatočná zľava 1-10% pre Vás. V košíku zadajte Zľavový kupón: "KUPELNESK"
Vyberte si dostupné doplnky ( doplnok vkladáte do košíka v ľubovolnom množstve )
Hansa 52552287 HANSAVANTIS Páková umyvadlová batéria, Chróm
P-IX * (žiadosť o kontrolnú značku podaná)
prietokové množstvo: 6 l / min, merané pri 3 baroch hydraulického tlaku
Telesá armatúr: mosadz neuvoľňujúca zinok (MS 63)
Povrchy v kontakte s pitnou vodou sú bez povrchovej úpravy niklom
Pin - tyčinková ovládací páka (kov)
označení teplá-studená
perlátor
konštantný prietok nezávislý na tlaku vody
zlepšená ochrana proti usadeninám pomocou HONEYCOMB® štruktúry
bez odpadovej súpravy
bez otvoru pre tiahlo
montážny systém Rapid
pripojenie tlakovej hadice G 3/8
výtok: liaty, o 150°otočný
vyloženie: 139 mm





