Upozornenie:
Platí iba pri objednávke tovaru cez ESHOP. Zľava je uvedená pri každom tovare individuálne.
Zľavy neposkytujeme pri platbe platobnou kartou v Štúdiu KúpeľneSK.
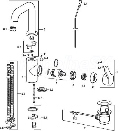
Hansa PRIMO umývadlová batéria s výpusťou, chróm 49542203
Cena s DPH: 287,64 € / ks Cena s DPH s dodatočnou zľavou: 258,00 € / ks
| Kód: | HS 49542203 |
| Výrobca: | Hansa |
| Dostupnosť: | Na preverenie do 1 dňa |
Dodatočná zľava 1-10% pre Vás. V košíku zadajte Zľavový kupón: "KUPELNESK"
Vyberte si dostupné doplnky ( doplnok vkladáte do košíka v ľubovolnom množstve )
Hansa PRIMO umývadlová batéria s výpusťou,chróm 49542203
Prietokové množstvo: 6 l/min,merané pri 3 baroch hydraulického tlaku
Telesá armatúr: mosadz neuvoľňujúca zinok (MS 63)
ovládacia páka (kov)
označenie teplá-studená
perlátor
konštantný prietok nezávislý na tlaku vody
zlepšenie ochrany proti usadeninám pomocou HONEYCOMB štruktúry
odpadová súprava (kov) a ovládanie tiahlom
montážny systém Rapid
pripojenie tlakové hadice G 3/8
Výtok: liaty, o 150 ° otočný - vyberateľná Zarážka
Vyloženie: 142 mm





